общая информация, конструкция, схема подключения, установка
Содержание
- Общая информация
- Основные модели: их назначение и особенности
- Конструкция домофона
- Как подключить: порядок действий
- Схема подключения
- Подключение домофонов Vizit
- Как подключить Vizit к подъездному домофону
- Подключение видеодомофона к цифровому подъездному домофону
- Подключение к координатному подъездному домофону
- Изменение индивидуального кода
- Основные поломки и ремонт
- Правила эксплуатации и обслуживания
- Устройство трубки домофонов Визит
- Схема подключения трубки Визит
- Возможные поломки трубки домофона Визит
- Если не проходит вызов в вашу квартиру
- Что делать, если не работает ключ
- Преимущества и недостатки модельного ряда домофонов Vizit
- Видеоинструкция для домофона данной марки
Домофон визит — инструкция по эксплуатации.
Домофоны представляют собой эффективную пропускную систему, которая встречается как в многоэтажных домах, так и на предприятиях, офисах, частных коттеджах и прочих помещениях, где нужен контроль доступа. Оборудование оберегает имущество и территорию от проникновения сторонних лиц, а также позволяет определять, кто планирует зайти в здание, находясь внутри.
На фоне стремительного роста популярности домофонов Визит, инструкция по настройке и подключении устройств в многоквартирном доме стала крайне востребованной.
Общая информация
В настоящее время холдинг VIZIT Group состоит из нескольких предприятий, которые специализируются на разработке, реализации и обслуживании систем контроля и управления доступом под более известным брендом Визит. За маркетинг и продвижение оборудования отвечает торговая марка НПФ МОДУС-Н, и учитывая объемы продаж, выпускаемая продукция пользуется спросом не только в России, но и других странах СНГ.
Из главных достоинств производителя следует выделить:
- Обширный ассортимент моделей с разными техническими характеристиками.

- Диапазон рабочих температур от -40 до +45 градусов Цельсия.
- Интеграция прогрессивных технологий и защитных средств.
- Разработка передовых программных решений.
Перечисленные пункты присутствуют в каждой модели домофона Визит. Кроме того, они подтверждены сотнями положительных отзывов и официальной сертификацией в государственных органах контроля качества.
Основные модели: их назначение и особенности
Перед тем как подключить трубку домофона Визит, следует уточнить ее модель и специфику подсоединения с остальными компонентами комплекса.
В модельном ряду компании доступно несколько поколений и серий пропускных устройств. Они различаются модификациями, допустимым числом подключений, стандартом защиты и назначением. Стандартная классификация выглядит следующим образом:
- Линейка SM и N предназначается для использования группой лиц до 100 человек. Она встречается в многоэтажных сооружениях и представлена такими моделями: SM101T, SM101R, N101RTC (домофоны поставляются без камер).
Выпуски оснащены подсветкой клавиш и могут работать с 600 ключами. Также в серию входит усовершенствованная модель N201FCP с камерой и подключением до 200 абонентов. - БВД300 включает несколько моделей (БВД306б БВД310, БВД 313, 314, 316). Устройства способны работать с разным количеством пользователей и отличаются обширным функционалом. Последние модели 313, 314, 316 и 323 разработаны для частных домов и офисов. При этом их можно устанавливать и в многоквартирных помещениях с учетом индивидуальных запросов потребителей.
- 400 Comfort. Продвинутая линейка домофонных систем, которая используется преимущественно в офисах, многоквартирных объектах и предприятиях. Оборудование работает с 200 абонентами (зависит от комплектации).
Конструкция домофона
Для понимания принципа работы домофона и особенностей самостоятельного подключения и настройки, необходимо уточнить внутреннее строение системы. По сути, такое изобретение представляет собой специальное средство, ограничивающее, либо предоставляющее доступ на объект.
Аппарат стал крайне востребованным сравнительно недавно, поскольку раньше для защиты входных дверей применялась кодовая технология.
Домофоны Vizit для квартиры или частного дома включают несколько компонентов:
- Абонентское устройство (трубка). Устройство находится в квартире и позволяет собственнику ответить на вызов гостя и принять решение об открытии двери или игнорировании запроса. По умолчанию трубка совмещена с запирающим механизмом.
- Вызывной блок. Используется для введения нужной кодовой комбинации. Наружная панель имеет разные варианты исполнения: с кнопками для набора, со считывающей площадкой, обрабатывающей код с ключей или карточек, с подсветкой и даже визуальным сопровождением. Последняя модификация не является слишком распространенной и встречается на особо защищенных объектах.
- Видеокамера (если речь идет о видеодомофоне).
- Замковый механизм. Позволяет контролировать доступ в здание, т.к. запирает дверное полотно. Современные домофоны выпускаются с электромагнитными, реже электромеханическими замками.
Первый тип можно открыть снаружи, но он намного надежнее конструкций с металлической задвижкой. - Коммутатор. Отвечает за передачу данных от вызывного блока к абоненту. Подобное устройство встречается в многоабонентских домофонах, поскольку модели для одного пользователя не требуют распределения сигналов.
Среди вспомогательных средств и аксессуаров в схеме домофона Визит может использоваться видеокамера и специальный монитор для отображения картинки. Подобные системы отличаются большей надежностью и функциональностью, поскольку помимо аудио-контакта обеспечивается визуальный мониторинг происходящего у двери.
Как подключить: порядок действий
Схема подключения домофона Vizit выглядит достаточно просто. Ознакомившись с ее особенностями, нужно выбрать удобное место для размещения аппарата. Оно должно быть защищенным от неблагоприятных воздействий окружающей среды. С учетом регламентной документации, оборудование должно соединяться посредством соответствующих проводов и фиксироваться болтами типа М5.
Количество коммутационных соединений определяется спецификой выбранной модели домофона.
После сборки схемы на каждом этаже фиксируются коммутаторы, объединяющие абонентские трубки с вызывным блоком.
На этапе подключения трубки следует уточнить номер коммутатора, поскольку эти компоненты различаются количеством выводов. Обычно, оно прописано в названии модели.
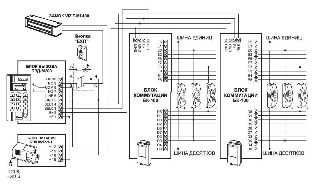
Схема подключения
Схема домофона визит
Принципиальная схема подключения домофона подбирается под конкретную модель. В каждом случае специфика работ может различаться. В комплекте многоабонентского устройства БВД-SM101R(T) установлены такие компоненты:
- Доводчик двери.
- Вызывная панель.
- Трубка и видеомонитор (опционально).
- Соединительные шлейфы.
- Замковый механизм.
Подключение домофонов Vizit
Для корректной работы домофонного комплекса нужно правильно подключить его. Это делается строго по инструкции и схеме производителя.
Чтобы домофон работал как можно дольше, нужно соблюдать основные правила эксплуатации и вовремя обслуживать его.
Сроки плановых осмотров прописаны в регламенте и договоре с обслуживающей компании.
Как подключить Vizit к подъездному домофону
Сопряжение компонентов Vizit УКП производится посредством соответствующего набора проводов и коммутаторов. Для проведения работ необходимо:
- Протянуть кабель от вызывного блока в квартиру к трубке.
- Прописать номер своей квартиры в памяти устройства.
- Купить адаптер и настроить его.
- Отрегулировать параметры оборудования.
Подключение видеодомофона к цифровому подъездному домофону
Для исправного функционирования подобной техники нужно купить специальный компонент – модуль сопряжения МСК. Он позволяет согласовать видеустройство с цифровым домофоном. Адаптер совместим с различными типами оборудования, включая модели Визит. По заявлениям производителя он работает надежно и качественно.
Установить МСЦ-адаптер достаточно просто. Для этого нужно подключить провода от трубки к нему, а затем подвести к видеодомофону.
Блок вызова подключается наподобие камеры.
Подключение к координатному подъездному домофону
Адаптер МСК используется для аналоговых домофонных систем. При этом он подключается по описанной выше инструкции, а подробная схема сопряжения выглядит следующим образом:
Изменение индивидуального кода
Настройка техники Визит осуществляется достаточно быстро и просто. Чтобы поменять код открывания замка, необходимо сделать такие манипуляции:- Выполнить нажатие на комбинацию #-999.
- После прозвучавшего двойного сигнала указать мастер код (1234 или любой другой).
- Об успешном изменении параметров будет свидетельствовать однократный звуковой сигнал.
Если вы услышали 2 сигнала, придется повторить действие с нуля.
Основные поломки и ремонт
Домофонная система представляет собой сложное и высокотехнологическое изобретение, поэтому различные сбои и неполадки в работе не исключены. Чтобы минимизировать вероятность их появления, следует покупать оборудование у официальных поставщиков или проверенных фирм.
Также нужно знать, как устранять распространенные поломки своими руками:
- Если клавиши работают корректно, но при наборе номера абонента случается сброс, возможно происходит обрыв соединения. Для этого следует оценить исправность линии БВ-КМ.
- Если блок вызова не реагирует на нажатия. Это случается при отсутствии электроснабжения. Для устранения сбоя нужно оценить соединение клемм Y1 и Y2. Нормальное напряжение составляет 13-18В.
- Замок не открывается ключом и кнопкой. Обычно это связано с проблемами с питанием или блоком вызова.
Правила эксплуатации и обслуживания
Чтобы домофон работал как можно дольше, нужно соблюдать основные правила эксплуатации и вовремя обслуживать его. Сроки плановых осмотров прописаны в регламенте и договоре с обслуживающей компании. Они зависят от ряда факторов, включая условия эксплуатации и количество абонентов.
Профессиональная диагностика подразумевает:
- Регулярную оценку качества заземлений блока вызова и монтажной кабины.

- Визуальный осмотр и очистку наружных панелей, доводчика двери, кнопок и замка.
При истечении эксплуатационного термина отдельных деталей их заменяют.
Устройство трубки домофонов Визит
Абонентское устройство в домофоне Визит состоит из таких компонентов:
- Ударопрочный корпус.
- Клавиша для регулировки громкости вызова.
- Кнопка открытия замкового механизма.
- Микрофон и громкоговоритель.
- Плата управления.
- Фиксатор трубки.
Схема подключения трубки Визит
И хоть домофоны достаточно надежные и долговечные, они подвергаются сбоям и поломкам, поэтому требуют соблюдения особой схемы подключения. Если придерживаться следующих чертежей, ошибки будут исключены.
Возможные поломки трубки домофона Визит
При эксплуатации домофонных систем наблюдаются следующие проблемы:
- Отсутствие изменений при нажатии на клавишу открытия замка на трубке.
- Отсутствие звука на одной стороне.

- Западание язычка.
- Разрыв кабеля, совмещающего оборудование.
Если не проходит вызов в вашу квартиру
Обычно, это случается из-за действий недобросовестных фирм, которые мотивируют клиентов платить за обслуживание домофона. Проблема решается путем изменения настроек через блок управления.
Что делать, если не работает ключ
Неприятность можно устранить, связавшись с соседями и попросив у них образец для создания дубликата. Остается повторно настроить брелок и записать его в память системы.
Преимущества и недостатки модельного ряда домофонов Vizit
Системы Визит отличаются удобством, функциональностью и надежностью. Их отрицательными сторонами является относительная сложность самостоятельного монтажа.
Видеоинструкция для домофона данной марки
Подъездные домофоны: принцип подключения к квартире
Подъездные домофоны — приборы с магнитными ключами, электрические замково-переговорные, кнопочные и контролирующие общественный порядок в жилых и общественных помещениях.
Это устройство подключается к электросети дома или к источникам питания работающим автономно. Прибор помогает осуществлять контроль, при котором пользователь может не только идентифицировать гостя по голосу или по видеоизображению, но и открыть дверь, не выходя из квартиры.
Это возможно благодаря расширенным функциям домофона.
Вернуться к оглавлению
Содержание материала
- 1 Принцип действия домофона
- 2 Устройство многоквартирного домофона
- 3 Марки домофонов и количество абонентов
- 4 Какая есть индикация гостей у домофонов
- 5 Производители устройств
- 5.1 Метаком
- 5.2 Vizit
- 5.3 Cyfral
- 5.4 Commax
- 6 Как подобрать домофон
- 6.1 Главные нюансы при выборе
- 7 Подключение и настройка
Принцип действия домофона
Все составляющие конструкции монтируются на подъездной двери и в квартирах жильцов.
- Если входит в подъезд тот, кто проживает в доме, то он открывает замок при помощи брелка, или набирает цифровой код на цифровой панели;
- Приходит гость, но набирает число квартиры, жмет кнопку вызова. Хозяева квартиры получают сигнал, и идентифицируют гостя по видеосвязи или по голосу. Затем владелец квартиры нажимает кнопку, которая разблокирует магнитный замок. Электросигнал поступает на панель у подъездной двери, и она открывается. Есть дешевые модели домофонов, которые не могут открыть дверь из квартиры, и приходится спускаться к подъездной двери для ее открытия, но такие модели не используются в последнее время, так как они не удобны.
Вернуться к оглавлению
Устройство многоквартирного домофона
Аудиодомофон – простой и надежный, но, к сожалению, начинает устаревать очень быстро.
В моду входят цветные панели на основе сенсора, так как их стоимость постоянно падает, есть модели, которые имеют свойства записывать все поступающие звонки на флешку. У пользователя возникает возможность по приходу домой, посмотреть, кто заходил. Подобный многоквартирный домофон стоит практически на каждом подъезде во многих городах.
Домофоны разделяются по способу кодификации пришедших гостей и принципу адресации количества абонентов, которых нужно обслуживать.
Вернуться к оглавлению
Марки домофонов и количество абонентов
Малоабоненские – устанавливаются на объектах и в частных загородных домах. Эти аппараты могут обслужить только одного абонента, например ,в коттеджах, на охранных пунктах, при подъезде к дому или въезда на участок. Многоабонентские – предназначены для подъездов многоэтажных и многоквартирных домов, административных зданий.
Различные марки домофоновНе так давно эти конструкции могли обслужить только 6 человек, но прогресс не стоит на месте, и на данный момент можно купить домофоны различных конфигураций, которые могут обслужить более 1000 абонентов, при этом могут сделать доступными десятки входов в подъезд.
Установка подъездного домофона должна производиться специалистами компании, которая впоследствии будет его обслуживать. Виды устройств:
- Координатно-матричные – подключение видеодомофона к подъездному домофону, происходит в зависимости с блоками, которые устанавливают абоненты, например, если блоков будет 30, то проводов придется тянуть такое же количество. Для координатного подъездного домофона характерна доступная цена, но при таком большом составе проводов, она может работать некорректно, так как сеть часто перегружается.
- Цифровые домофоны – стоят не дешево, но подключаются при помощи двух проводов. Но стоит отметить, что соседи могут прослушивать разговоры и аппараты часто выходят из строя. Кроме того они могут, отправить ложный вызов или не открыть подъездную дверь с домофоном.
Схема подключения цифрового домофона
- Беспроводные системы – могут быть подключены без применения новых коммуникаций, а по проводам телефонных линий.
Также они подключаются при помощи IP. Это домофоны элитной серии, и они могут работать через вай-фай соединения или через интернет. У этой системы панель вызова может быть с кнопками, с камерой, с внутренним оснащением – трубкой для подъездного домофона или небольшой экран. Управляются эти конструкции с планшета, смартфона, но можно использовать и простую трубку, которую устанавливают рядом с входной дверью в квартиру. Но если хозяин решит подключить трубку, то он лишается возможности использовать видеосвязь. Если видеонаблюдение необходимо, то лучше заказать комплексный монтаж.
Вернуться к оглавлению
Какая есть индикация гостей у домофонов
Домофон с камерой реализовывает просмотр участка сбоку, впереди, лестничный проем. Особенность аппарата – скрытая съемка изнутри здания. Особо престижные домофоны могут осуществить аудио и видеонаблюдения, у них есть панелька управления с воспринимающим и особо чувствительным экраном. Могут записать и сохранить события и лица посетителей в количестве 16 шт.
Некоторые изготовители пошли дальше — посредством переговорного экрана стали использовать идентификацию при помощи мобильного или ТВ. Это исполняется вручную или автоматом: сигнал приходит на устройство и подключается роль домофона, а после завершения беседы – переключается в типовой режим. Такие свойства есть у беспроводных видов домофонов. Перечисленные выше аспекты влияют на цену и популярность блоков. Обычные аудиодомофоны, в отличие от домофонов с видео или самых элитных модификаций, имеют невысокую отпускную цену.
Вернуться к оглавлению
Производители устройств
Метаком
Домофоны Метаком – инновационные системы. Покупая эти аппарата, мы можете быть уверены в их безупречной работе длительное время. Принцип работы и монтажа не отличается от других подобных устройств. Домофон Метаком самый простой и состоит из трубки и панели. Работа домофона будет правильной, если его грамотно смонтируют.
Так выглядит домофон МетакомУстановка подъездных дверей с домофоном Метаком производится специалистами компании продающей домофоны.
У систем есть ряд преимуществ:
- на панели нет механических переключателей, что способствует устранить проблему с блокировкой клавиш и окисления проводных контактов;
- двери открываются ключом;
- можно открыть подъездную дверь при помощи специального, запрограммированного цифрового кода;
- простое обслуживание, установка и перепрограммирование.
Для корректной работы домофона Метаком, нужно правильно его монтировать, подключить и настроить. Выполнение этой работы лучше доверить компании, в которой работают специалисты по установке и обслуживанию подъездных домофонов этой марки.
Vizit
Производители разработали недорогие и качественные домофоны Vizit.
Домофоны VizitВнешняя панель этого устройства производится в корпусе, который предотвращает взломы. При этом домофон может работать в очень суровых условиях погоды. Домофоны Vizit имеют различные узлы и собираются по желанию клиента, часто установка подъездных дверей сопряжена с монтажом аудиодомофона Визит.
К блоку вызова можно подобрать управляющий блок, который определяет, сколько абонентов будет подключено, видеокамеры – купольные или корпусные, замки электромеханические замки. Есть десятки вариантов комплектации устанавливаемого оборудования.
Cyfral
Установка домофона, должна проводиться строго по инструкции. Компания Cyfral прилагает ее к каждому изготовленному комплекту. Можно установить домофон своими руками, прочитав это руководство, но если знаний у вас нахватает, то не рискуйте своей безопасностью и целостностью прибора, обратитесь в фирму по установке.
Эти цифровые домофоны подключаются при помощи телефонного кабеля, к которому абонентские трубки будут подключены параллельно.
При подключении домофонов Cyfral, нужно правильно его запрограммировать.
Commax
Домофоны commax выпускает корейская фирма, они являются одними из лидирующих производителей на рынке продажи этой продукции.
Комплект видеодомофона «Commax» входят:
- вызывная панель с камерой;
- монитор;
- электрический замок.
Видеодомофоны «Commax», отличаются по характеристикам, так как у разных моделей они неодинаковые:
- может быть монохромным или цветным;
- может оснащаться трубкой, или громкой связью;
- есть комплекты с датчиками движения;
- есть функция фотосъемки или видеозаписи, с сохранением данных.
Этот видеодомофон можно подключить к обычному домофону при помощи блока сопряжения – модуля, который помогает подключить практически любой видео домофон. Этот блок сопряжения позволит не только видеодомофон, но и несколько камер, которые устанавливаются в подъезде и панель, устанавливаемая прямо на этаже абонента. Подключается блок сопряжения с подъездным домофоном, для устройств с координатным или цифровым устройством.
Схема подключения домофона через блок сопряженияВернуться к оглавлению
Как подобрать домофон
Подбор устройства находится в зависимости от некоторых условий: цена аппарата с установкой и разряд защиты, важный абоненту.
На выбор оказывает большое влияние численность обслуживаемых покупателей (много абонентский или мало абонентский), что непосредственно зависит от разрешаемых задач посетителями (аудио и видеоидентификация) и их экономического состояния.
Главные нюансы при выборе
Первоначально нелишне решить, сколько обывателей будет обслуживаться домофоном – для залога сохранности установленной квартиры или подъезда. После этого надо сосредоточить внимание на следующие данные:
- Фирма-наладчик обязана владеть знаниями и опытом в этой сфере.
- Компания-производитель должна учесть акклиматизационные условия.
- Корпус обязан быть антивандальным, при этом уровень защищенности самый высокий.
- Домофон с записью, детекторами или инновационными деталями, которые сложны в монтаже, должны характеризоваться стабильностью при колебании электропитания.
- У установки должен быть сертификат.
- Наличие руководства по монтажу и эксплуатации.
- Допустимость покупки единичных деталей при неисправности.

- Гарантийный срок и наличие обслуживания системы.
- Выбрать аппаратуру с подходящим числом блоков.
- Степень охраны. Например, двухуровневая защита учитывает установку 1-го блока на подходе к объекту, а другого конкретно около двери. Можно смонтировать единые системы домофонов.
- Тип замка, применимый в домофоне: механический или магнитный.
Схема подключения домофона с магнитным замком
- При подборе видеодомофона надлежит концентрировать внимание на обзоре, наличие подсвечивания ночью.
Также следует учесть, что при возникновении каких-либо опасных ситуаций дверь не должна заблокироваться, а раскрываться легко. Доводчики:
- максимальный вес двери, какую может выдержать элемент;
- смотря где, будет использоваться;
- регулировка системы соответственно сезону;
- вероятность применения в разных погодных ситуациях;
- простота программного обеспечения, а также перепрограммирования.
Видео инструкция по выбору домофона.
Вернуться к оглавлению
Подключение и настройка
Видеодомофоны обычно находятся в новостройках, Живущие в старых постройках обыватели, обладают аудиодомофонами, для них рекомендовало два вида установки видеодомофона на жилплощади:
- видеодомофоны с подключением к подъездному домофону;
- монтаж устройства соединения обычного аппарата вместе с видеодомофоном.
Подсоединение совершается при помощи 4-х проводов. Предупредительный шнур подключается к гнезду монитора, на котором впоследствии будет производиться видеозапись. Важно не перепутать провода. Если производите самостоятельную установку, то сначала внимательно ознакомьтесь со схемой и инструкцией.
Самостоятельная установка квартирного видеодомофона | Автор Chris Whong
Вот как мы исследовали, нашли и самостоятельно установили систему видеодомофона для небольшого кондоминиума, и вы тоже можете.
Во время этого проекта мне было очень трудно найти информацию о различных продуктах, которые мы использовали, поэтому этот пост в блоге битком набит текстом для поисковых систем. Читайте дальше о некоторых приключениях в низковольтной проводке.
Отказ от ответственности: Работа с внутренней связью должна выполняться только уполномоченным и квалифицированным персоналом. Любой, кто использует информацию, содержащуюся в настоящем документе, делает это на свой страх и риск, и считается, что он освобождает автора от любых и всех травм или ущерба, возникающих в результате такого использования.
Статус-кво — дерьмовые домофоны с функцией «нажми и говори», «нажми и слушай»
Наше здание было построено в середине 2000-х годов и оснащено стандартным заурядным аудиодомофоном. Вы знаете, тип, когда нажатие кнопки снаружи вызывает «трель» в устройстве, и вы должны нажать кнопку, чтобы говорить, а затем нажать другую кнопку, чтобы прослушать. Если человек на другом конце считается достойным, вы можете нажать третью кнопку, чтобы вызвать электронное открытие двери, позволяя ему войти.
Эти системы используют вековую телефонную технологию для усиления и передачи различных аудиосигналов и могут быть установлены в 3-х, 4-х или 5-ти проводных конфигурациях. У нас был PK-543 от Tektone. Он работает от 16 вольт переменного тока и требует прокладки кабеля от дверной панели и всех панелей блока к центральному устройству, называемому усилителем.
Как, вероятно, подключен ваш дрянной аудиодомофон. Взято с https://www.tektone.com/pdf_files/manuals/IL826_PK543A_install.pdfОчевидно, что эти аудиодомофоны крайне неудобны для пользователя, и если вы не нажмете нужную кнопку в нужное время, вы можете пропустить большие куски. разговора. Вы также не можете видеть, кто находится на другом конце линии, что проблематично по нескольким причинам, наиболее важной из которых является безопасность. Но они дешевы, просты и в целом надежны, поэтому так распространены.
Ограничивающий фактор — электропроводка
В наши дни существует множество причудливых новомодных видеодомофонов, но многие из них основаны на IP.
Это означает, что на самом деле это маленькие компьютеры, которым необходимо обмениваться данными по сети. В нашем оригинальном аудиодомофоне использовался кабель CAT3 (вспомните телефонную проводку старой школы), который не способен поддерживать IP-сигналы, поэтому эти причудливые системы отсутствовали. В частности, у нас есть домашний кабель CAT3 с 4 витыми парами от каждого блока к центральной точке в подвале. Существующая система внутренней связи представляла собой 4-проводную систему, поэтому каждая панель использовала только две из четырех пар.
Почему бы просто не запустить новые провода? Это потребовало бы открытия стен в нескольких местах, в том числе в каждой квартире, что было бы грязно, отнимало много времени и дорого. Это просто невозможно, если только ваше здание не было спроектировано так, чтобы иметь легкий доступ к лазам и проволокам.
Итак, задача, стоявшая перед нами, когда мы начали наше исследование в начале 2020 года: Выясните, есть ли системы видеодомофона, которые будут работать по нашим существующим кабелям CAT3.
В новой системе также должна быть предусмотрена возможность дистанционного открывания дверного замка с электроприводом, но это довольно стандартная функциональность для любого домофона, предназначенного для многоквартирных домов.
Двухпроводные видеодомофоны — это вещь!
Некоторые исследования в Интернете показали, что действительно существуют системы внутренней связи, которые могут передавать видео, аудио и данные по двухпроводной шине. Существуют требования к толщине используемого кабеля, но можно объединить 4 пары меньших проводов в кабеле CAT3 в две большие группы проводов, которые подойдут для этой установки.
Руководство по использованию 4 пар проводов в кабеле CAT5 в качестве 2-проводной шины для системы внутренней связи GB2, с https://www.
alphacommunication.com/system/gb2audioТри популярные 2-проводные системы, которые мы рассмотрели, были :
Golmar GB2
https://www.golmar.es/products/gb2
Конфигурации модульной дверной панели Golmar GB2, с http://golmar-eg.com/nexa%20%20inox%204+n %20details%201%20more%20information.htmlGolmar — испанская компания, и это была первая система, которую мы нашли. PDF-файлы для установки легко доступны на их веб-сайте. Довольно легко ознакомиться с различными конфигурациями системы и представить, что потребуется для ее установки.
Эти системы распространяются в США компанией Alpha Communications, и из трех рассмотренных нами систем эту оказалось проще всего приобрести здесь, в США.
Comelit
https://pro .comelitgroup.com/en-us/product/IKALL
Comelit Modular Door Panel Configurations, https://www.comelitgroup.com/en-us/products/outdoors/ikall/ Comelit — итальянская компания, Предлагается 2-проводное видео, аналогичное предложению Golmar, но с одним большим отличием: у них есть панель устройства со встроенным Wi-Fi, и они могут обмениваться данными с мобильным приложением.
Это означает, что жители могут быть уведомлены о том, что кто-то звонит в их квартиру, когда их нет дома, и они могут посмотреть видео и удаленно открыть дверь со своего мобильного устройства. Нам было действительно заинтересовал этой функцией, но, в конце концов, нас оттолкнули ужасные отзывы о приложениях для iOS и Android, и мы не хотели оказаться в одной лодке с МНОЖЕСТВОМ недовольных клиентов.
Они также заставляют вас регистрироваться и входить в систему только для того, чтобы загрузить документацию по продукту, что было отключением.
Hikvision
https://content.hikvision.com/2nd-generation-intercom-homepage
Hikvision — китайская компания, и их двухпроводная система кажется более современной, чем две другие, которые мы рассматривали. . Кроме того, кажется, что в Интернете гораздо больше видео и ресурсов, созданных счастливыми установщиками Hikvision. Тем не менее, Hikvision в настоящее время находится под санкциями правительства США, казалось, что получить оборудование будет сложнее, а предлагаемая ими единая панель казалась немного более неуклюжей / громоздкой, чем другие варианты.
Эта система также могла взаимодействовать с мобильными устройствами, но вместо того, чтобы быть децентрализованной, когда каждая панель устройства взаимодействует с Wi-Fi этого устройства, ей потребовалось бы подключение к Интернету на центральном устройстве. (это то, что мы могли бы предоставить, но это также означает больше возможностей для проблем с технической поддержкой в будущем)
К моему удивлению, онлайн-контента об установке видеодомофонов не хватает. Учитывая, что половина планеты городская, можно было бы подумать, что фирмы, которые продают и обслуживают системы внутренней связи в многоквартирных домах, могут разместить тысячи видеороликов на YouTube и постов в блогах. Погуглите «Golmar GB2» или «Comelit 2-wire», и вы поймете, что я имею в виду.
Нас больше всего заинтересовала система Golmar GB2, так как было легко найти интернет-магазины для продажи деталей, легко спроектировать систему и было бы легко установить. Это 100% автономный режим, что означает, что мы отказываемся от некоторых наворотов, но нам не придется решать проблемы с подключением к Интернету или конфигурацией.
Как только вы заработаете, он должен просто работает.
Тестирование
Перед тем, как потратить много денег на полную систему для 8 устройств, мы купили минимальный набор оборудования, необходимый для тестирования нашей проводки. Для этого нужно было приобрести видеопанель входной двери, блок питания, шинный разветвитель и одну юнит-панель. Люди из Supplycounter.com действительно связались с нами, чтобы подтвердить заказ, поскольку это не была полная система (см. их примечание ниже).
Если бы по какой-то причине это не сработало, мы потеряли бы около 600 долларов. Вещи не подлежат возврату, поэтому мы либо съедаем убытки, либо пытаемся перепродать их на eBay или где-то еще.
К счастью, это сработало… мы протестировали его на самом длинном отрезке кабеля, в 4 этажа, и он работал просто великолепно! Мы могли бы инициировать звонок из подвала в блок на 4-м этаже, и они могли бы увидеть звонящего и активировать разблокировку.
Мы еще не были готовы найти все это, поэтому тем временем мы установили небольшую демонстрационную доску, чтобы другие жители могли увидеть, на что будет похоже использование системы.
Все вместе
Модульная система Golmar имеет несколько вариантов внешнего корпуса и панелей. Мы остановились на нержавеющей стали, так как это был бы самый прочный и красивый вариант. В конечном итоге это стоило нам времени, так как детали приходилось доставлять из Испании. Я предполагаю, что они не ведут их инвентаризацию в США.
Мы разработали конфигурацию панели 2×2. На двух левых панелях будет размещен основной модуль камеры/аудио, а также дополнительный кнопочный модуль. Панели справа будут изменены для размещения дополнительных функций:
- Считыватель контроля доступа. Считыватель RFID для контроля доступа означает, что жильцы могут вызвать отпирание электронного замка с помощью брелока вместо использования физического ключа для отпирания двери. Это удобнее, но реальным преимуществом является контроль над тем, кто имеет доступ, и возможность отозвать доступ, если кто-то потеряет свой FOB.
Вы не можете сделать это с физическими ключами. Подробнее об этом позже. - Переключатель со стрелкой USPS — таким образом курьер может получить доступ в здание для доставки почты. Это всего лишь специальный замок и переключатель, который запускает электронное открытие двери. Мы могли бы установить его в отдельной коробке и соединить с системой коротким отрезком кабелепровода, но это выглядело бы не так красиво и потребовало бы немного больше усилий для установки.
Специальная опорная плита для панелей устройства
Оригинальные панели были в книжной ориентации и прикреплены к стене с помощью металлического кронштейна. Новые видеопанели (Golmar VESTA7) были в альбомной ориентации, и установка их поверх той же настенной коробки оставила бы неприглядную полосу неокрашенной стены или линию, где была добавлена новая краска вокруг исходной коробки.
Эскиз индивидуальной белой акриловой базовой пластины. Чтобы исправить это, мы заказали белые акриловые панели нестандартного размера на сайте acmeplastics.
com и разместили их за новыми панелями. Они обеспечили 1-дюймовый буфер вокруг размеров новой панели и были специально рассчитаны на просто покрывают след оригинальных панелей.
Эти панели в конечном итоге стали приятным визуальным штрихом и обеспечили очень аккуратную установку для каждого из блоков, не требующую покраски или ремонта стен.
Программирование и тестирование
После того, как поставки прибыли, мы настроили все в локальной установке, чтобы убедиться, что панели и кнопки настроены правильно. Конфигурация выполняется с помощью DIP-переключателей на панелях блока. Каждая кнопка дверной панели вызывает определенный адрес, все, что вам нужно сделать, это установить DIP-переключатели на соответствующий адрес.
Нам пришлось просверлить несколько отверстий в пластинах-заглушках и внести некоторые изменения, чтобы все поместилось в корпусе, но мы смогли привести все в порядок за пару вечеров. Все в панелях было предварительно смонтировано для быстрого соединения с помощью проволочных гаек после того, как мы фактически установили его у главного входа.
Мы изменили внутреннюю структуру вызывных панелей для размещения почтового переключателя и считывателя контроля доступа.Установка прошла гладко… в корпусе панели пришлось просверлить 4 отверстия ударной дрелью, протянуть провода в заднюю часть коробки и все соединить.
Проводка из здания довольно проста: 12 В постоянного тока из подвала питают считыватель контроля доступа и электронный замок двери. Двухпроводная шина (по CAT3, как и в случае с панелями устройств) питает аудио/видео панель и передает сигналы. Сняв старую панель, немного приведя в порядок проводку, смонтировав новый корпус с помощью бетонных анкеров и все соединив, мы приступили к делу!
Наша смонтированная и собранная конфигурация панели 2×2, со считывателем контроля доступа и стрелочным замком USPS.
В подвале мы установили источник питания, разветвители панелей, блок питания на 12 вольт и источник бесперебойного питания (резервный аккумулятор), чтобы все работало какое-то время в случае отключения электроэнергии.
Новая фанерная панель 2×2 для блока питания, ИБП и разветвителей шины. Провода, идущие к каждому блоку, будут подключены к зеленым клеммам на левой стороне разветвителей.Фактическая установка панели требовала посещения каждого блока, что мы согласовали заранее. Установка каждого блока занимала всего около 5–10 минут, и мы общались по рации между бригадой, выполняющей установку в блоках, бригадой, подключающейся в подвале, и выполняющей тестовые звонки от входной двери. Поскольку мы заранее все подготовили и протестировали, фактическая установка заняла всего несколько часов.
Контроль доступа и брелоки
Нас заинтересовал контроль доступа с помощью брелоков по нескольким причинам. Один из них заключался в том, чтобы уйти от физических ключей.
Жильцам и продавцам всегда нужны копии ключей от дверей, они время от времени теряются, и просто сложно отследить, у кого они есть. Кроме того, дорого и сложно с точки зрения логистики сделать копии ключей с высокой степенью защиты, которые мы используем.
Еще одна причина использовать брелоки — это удобство, так как они позволяют отпереть и открыть дверь одной свободной рукой, что удобно, если вы что-то несете или толкаете коляску.
В прошлой жизни я возился с системами контроля доступа, и им всегда требовались считыватели, которые могут общаться с центральным процессором, который отслеживает всю логику. Обычно для их настройки требуется неуклюжее программное обеспечение Windows. Иногда они должны быть объединены в сеть и подключены к Интернету. Мы хотели что-то очень простое в настройке, и после расспросов кто-то порекомендовал Paxton 9.0007 Линейка считывателей контроля доступа Compact .
Серия Compact от Paxton выглядит как обычные считыватели RFID-брелоков, но они работают в автономной конфигурации.
Это означает, что нам не нужно беспокоиться о питании и проводке центрального процессора, все происходит локально по отношению к контролируемой двери! Лучше всего, что нет никакого программирования. Вы просто заказываете брелоки партиями по 10 штук. Каждая партия поставляется со специальной картой, которую вы подносите к считывателю, чтобы авторизовать все 10 брелоков, и каждый брелок как так называемую «теневую карту» для отзыва доступа к соответствующему брелоку. если он когда-либо будет потерян.
Это великолепная система, которая обеспечивает все преимущества контроля доступа RFID без каких-либо сложностей!
Было довольно легко подключиться к переговорному устройству Golmar, у которого есть дверной замок с сухим контактом. Вместо прямого подключения к электронному дверному замку считыватель сначала подключается к реле 12 В. Когда кто-то предъявляет действующий брелок, реле активируется, замыкая клеммы с сухими контактами на панели внутренней связи и открывая дверь на 5 секунд.
Рубль : Было очень трудно найти оборудование Paxton онлайн. Их веб-сайт и документация позволяют очень легко понять, как работают их продукты, но вы не можете просто купить вещи на Amazon. У них есть сеть авторизованных дистрибьюторов, многие из которых размещают товары в Интернете, но не будут продавать их вам, если вы не являетесь установщиком или дилером. Многие из дилеров также не будут продавать населению. ¯\_(ツ)_/¯ Когда мы, наконец, нашли онлайн-продавца, у которого можно было заказать их, потребовалось несколько недель, чтобы что-нибудь доставили, поскольку все товары поставляются напрямую от производителя. Мне нравятся эти продукты, но хотелось бы, чтобы они были менее ограничивающими в отношении распространения.
Вуаля! Модернизация видеодомофона Я умалчиваю о многих технических деталях, но все это не сложно, если у вас есть базовый уровень комфорта с проводкой и электроникой. В основном я хочу, чтобы люди знали, что можно модернизировать ваш аудиодомофон видеодомофоном с меньшими затратами и усилиями, чем вы, вероятно, думали.
Спасибо за прочтение.
Руководство по системе внутренней связи в многоквартирных и многоквартирных домах
Установка системы внутренней связи в многоквартирном доме может быть новым зданием или системой, либо проектом по модернизации или замене квартирных домофонов. Каким бы ни был проект, система должна быть проста в установке, обслуживании и обновлении, и она должна обеспечивать доступные затраты в течение всего срока службы, а также низкие первоначальные затраты на покупку и установку. Это некоторые из важных факторов, которые следует учитывать при планировании установки домофонной системы в квартире или кондоминиуме.
Емкость
Прежде чем выбрать домофон для квартиры или заменить домофон, необходимо убедиться, что система способна поддерживать максимальное количество устройств в здании. Для обеспечения оптимальной безопасности каждый блок должен быть подключен к системе, даже если арендаторы не захотят ее использовать.
Тот факт, что нынешний житель не хочет пользоваться домофоном, не означает, что будущий житель будет чувствовать то же самое. Количество квартир также определяет наиболее экономичный способ соединения каждого подъезда с подстанциями в квартире. Например, небольшой многоквартирный дом с 10 квартирами не будет слишком сложным или дорогостоящим для подключения, или беспроводная система внутренней связи с открыванием двери может подойти. Однако для большого высотного здания или сообщества с более чем 30 единицами установка IP-видеодомофона для многоквартирных домов, вероятно, будет более рентабельной.
Входная фурнитура
Для квартирного домофона с открыванием двери требуется дверная панель, установленная на каждом входе в здание, которая обычно включает в себя дверной звонок или зуммер. Здания с несколькими квартирами, скорее всего, будут иметь большое количество посетителей, поэтому оборудование для дверного звонка IP или Wi-Fi для многоквартирного дома должно быть рассчитано на надежную работу с минимальным обслуживанием.
Панели дверных звонков многоквартирных домов или типичные дверные панели квартир могут быть установлены на поверхность или заподлицо. Панели, монтируемые заподлицо, обеспечивают лучший эстетический вид, хотя для их установки требуется больше работы. Чтобы свести к минимуму риск повреждения от дождя или пыли, дверная панель должна соответствовать стандарту IP65 по водонепроницаемости и защите от атмосферных воздействий. При установке видеодомофона для квартиры следует учитывать, что видеоэкраны и домофоны часто могут быть объектами вандализма, поэтому оборудование для контроля доступа также должно быть защищено от несанкционированного доступа.
Подстанции внутренней связи в квартирах
Для многоблочной системы внутренней связи требуется подстанция в каждой квартире, чтобы посетители могли напрямую связываться с жильцами. Традиционно проводные квартирные домофоны требовали установки дверной панели с динамиком и кнопкой открывания двери в каждом блоке.
Однако сегодня арендаторы могут использовать компьютеры, ноутбуки, планшеты или другие типы устройств отображения для обработки запросов на доступ. Однако более простым и экономичным решением является предоставление арендаторам приложения, которое они могут использовать на смартфонах. При использовании с беспроводным домофоном в жилых помещениях — будь то беспроводная система внутренней связи для многоквартирных домов, беспроводная система внутренней связи для многоквартирных домов или беспроводная система внутренней связи для многоквартирных комплексов — приложения для смартфонов предоставляют жильцам свободу и удобство для ответа на запросы доступа. , даже если они находятся вдали от своего здания.
В многоквартирных домах с охраной вестибюля или дежурным администратором многоблочная система внутренней связи также может быть подключена к компьютеру или настольному телефону с видеовозможностями, что позволит коммунальному персоналу управлять доступом посетителей. Это распространено в высотных зданиях и закрытых поселках, где курьеры, посетители и продавцы должны пройти регистрацию с службой безопасности, прежде чем получить доступ к остальной части собственности.
Питание и возможность подключения
Домофоны и системы открывания замков требуют питания для работы системы открывания дверей. Это может быть обеспечено подключением к сети или использованием более эффективного соединения Power-over-Ethernet (PoE). Для квартирной домофонной системы также требуется метод подключения дверной панели к квартирным подстанциям. Проводная система требует прокладки отдельных кабелей для каждой квартиры, что может оказаться недопустимым в здании с большим количеством квартир.
Беспроводная система внутренней связи для многоквартирных домов устраняет необходимость в выделенных кабелях и является более экономичным решением для обслуживания большого количества объектов. Однако система Wi-Fi должна иметь скорость, охват и пропускную способность, чтобы предоставить каждому арендатору качественный сервис. Поскольку высококачественное видео использует большую полосу пропускания, многопользовательская IP-интерком может быть лучшим вариантом для обеспечения четкого и надежного изображения в системах видеодомофонии в квартире.
Если в здании есть внутренняя сеть с точками доступа в каждой квартире, эта сеть может стать основой многопользовательской IP-домофонной связи.
Инфраструктура и программное обеспечение
Для квартирных домофонов требуется инфраструктура для поддержки системы и программное обеспечение для управления и обновления. Хотя в здании можно установить такую инфраструктуру, как серверы данных и видеорегистраторы, облачная система внутренней связи для многоквартирных домов обеспечивает большую гибкость, а также экономит место. Размещение программного обеспечения и инфраструктуры в облаке означает, что арендодатели и управляющие недвижимостью могут получить доступ к системе через Интернет, не посещая здание, а обслуживанием этого оборудования занимается третья сторона.
Одна из проблем управления системами внутренней связи многоквартирных домов связана с постоянно меняющимся списком жильцов. Программное обеспечение облачной домофонной системы помогает снизить нагрузку на ИТ при въезде новых жильцов благодаря управлению через Интернет, которое мгновенно обновляется.
Это означает, что отозвать разрешение на открытие дверей для старых арендаторов можно так же просто, как нажать кнопку, без необходимости подкатывать грузовик и переделывать систему.
Сторонняя интеграция
Управляющие недвижимостью осознают важность интеграции квартирных домофонов с другими технологическими системами собственности, чтобы они могли управлять ими централизованно и переходить на решения для интеллектуальных зданий. Поэтому система доступа к внутренней связи в квартире должна быть способна интегрироваться с рядом сторонних приложений, включая системы управления доставкой, управления посетителями и наблюдения, а также системы окружающей среды здания. Интеграторы квартирных систем внутренней связи рекомендуют системы с открытыми стандартами для беспрепятственной интеграции. Облачные поставщики часто обладают большей гибкостью для интеграции с более широким спектром систем и платформ по сравнению с устаревшими системами.
Техническое обслуживание и модернизация
Затраты на техническое обслуживание и модернизацию должны быть включены в расчет стоимости жизненного цикла многопользовательских систем внутренней связи.


Выпуски оснащены подсветкой клавиш и могут работать с 600 ключами. Также в серию входит усовершенствованная модель N201FCP с камерой и подключением до 200 абонентов.
Первый тип можно открыть снаружи, но он намного надежнее конструкций с металлической задвижкой.
Сроки плановых осмотров прописаны в регламенте и договоре с обслуживающей компании.


Также они подключаются при помощи IP. Это домофоны элитной серии, и они могут работать через вай-фай соединения или через интернет. У этой системы панель вызова может быть с кнопками, с камерой, с внутренним оснащением – трубкой для подъездного домофона или небольшой экран. Управляются эти конструкции с планшета, смартфона, но можно использовать и простую трубку, которую устанавливают рядом с входной дверью в квартиру. Но если хозяин решит подключить трубку, то он лишается возможности использовать видеосвязь. Если видеонаблюдение необходимо, то лучше заказать комплексный монтаж.
Вы не можете сделать это с физическими ключами. Подробнее об этом позже.